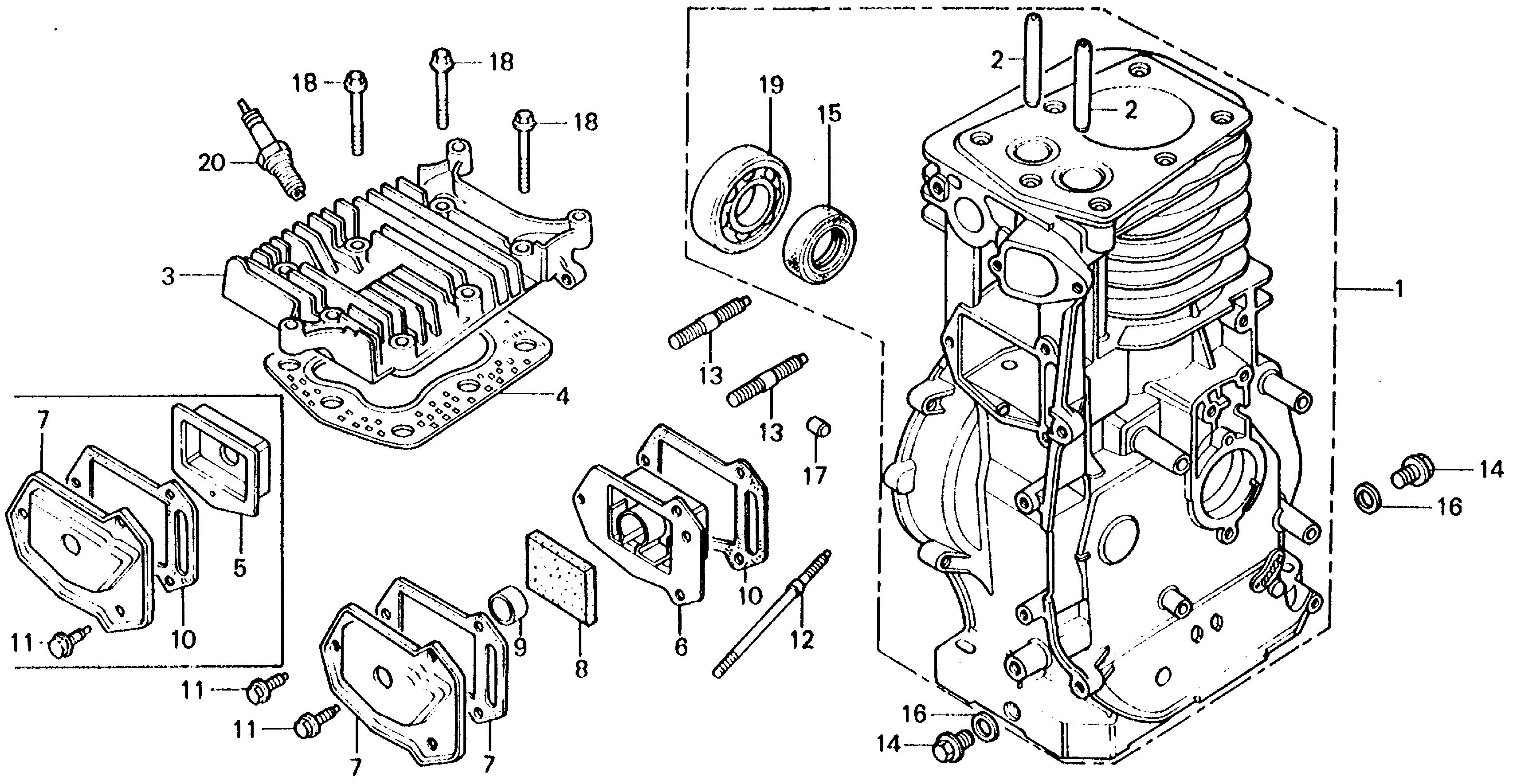
Generators E E1500 E1500K4 A E1500-3000008-9999999 CYLINDER HEAD@CYLINDER - Pete's Cycle Co., Inc.

Ref No
Part Number
Description
Serial Range
Qty
Price

Ref No
1
Part Number
12000-883-315
Description
CYLINDER ASSY.
Serial Range
1000001 - 1081892

Ref No
1
Part Number
12000-883-325
Description
CYLINDER ASSY.
Serial Range
1081893 - 1269468

Ref No
1
Part Number
12000-883-335
Description
CYLINDER ASSY.
Serial Range
1269469 - 1540531

Ref No
1
Part Number
12000-883-345
Description
CYLINDER ASSY.
Serial Range
1540532 - 9999999

Ref No
2
Part Number
12133-883-306
Description
GUIDE, VALVE (OVER SIZE)
Serial Range
1081893 - 9999999
Qty
Price
$16.52

Ref No
3
Part Number
122A2-883-030
Description
CYLINDER HEAD
Serial Range
1081893 - 9999999
Qty
Price
$19.65

Ref No
4
Part Number
12281-883-306
Description
GASKET, CYLINDER HEAD
Serial Range
1000001 - 9999999

Ref No
4
Part Number
12281-883-800
Description
GASKET, CYLINDER HEAD
Serial Range
1000001 - 9999999

Ref No
4
Part Number
12281-883-801
Description
GASKET, CYLINDER HEAD
Serial Range
1000001 - 9999999
Qty
Price
$29.86

Ref No
5
Part Number
12360-883-010
Description
CASE, BREATHER
Serial Range
1000001 - 1556857

Ref No
5
Part Number
12360-883-010
Description
CASE, BREATHER
Serial Range
1556858 - 9999999

Ref No
6
Part Number
12360-883-010
Description
CASE, BREATHER
Serial Range
1000001 - 1556857

Ref No
6
Part Number
12360-883-010
Description
CASE, BREATHER
Serial Range
1556858 - 9999999

Ref No
7
Part Number
12361-883-000
Description
COVER, TAPPET ROOM
Serial Range
1556858 - 9999999
Qty
Price
$15.04

Ref No
8
Part Number
12367-883-003
Description
FILTER, BREATHER
Serial Range
1556858 - 9999999
Qty
Price
$3.50

Ref No
9
Part Number
12369-883-000
Description
SEAL, BREATHER
Serial Range
1556858 - 9999999
Qty
Price
$4.14

Ref No
10
Part Number
12375-883-000
Description
GASKET, TAPPET COVER
Serial Range
1000001 - 1556857
Qty
Price
$4.12

Ref No
11
Part Number
90013-883-000
Description
BOLT, FLANGE (6X12) (CT200)
Serial Range
1556858 - 9999999

Ref No
12
Part Number
90043-883-010
Description
BOLT, STUD (6X95)
Serial Range
1000001 - 1537217
Qty
Price
$6.78

Ref No
12
Part Number
90043-883-681
Description
BOLT, STUD (6X89)
Serial Range
1537218 - 9999999
Qty
Price
$6.78

Ref No
13
Part Number
90047-883-000
Description
BOLT, STUD (8X35)
Serial Range
1537218 - 9999999
Qty
Price
$4.86

Ref No
14
Part Number
90131-896-650
Description
BOLT, DRAIN PLUG (12X15)
Serial Range
1537218 - 9999999

Ref No
15
Part Number
91201-Z0T-801
Description
OIL SEAL (25X41X6) (NOK)
Serial Range
1000001 - 9999999

Ref No
15
Part Number
91202-883-005
Description
OIL SEAL (25X41X6)
Serial Range
1000001 - 9999999

Ref No
16
Part Number
94109-12000
Description
WASHER, DRAIN PLUG (12MM)
Serial Range
1000001 - 9999999
Qty
Price
$1.50

Ref No
17
Part Number
94301-08140
Description
PIN, DOWEL (8X14)
Serial Range
1000001 - 9999999
Qty
Price
$2.74

Ref No
18
Part Number
95700-08045-08
Description
BOLT, FLANGE (8X45)
Serial Range
1000001 - 9999999

Ref No
18
Part Number
95701-08045-08
Description
BOLT, FLANGE (8X45)
Serial Range
1000001 - 9999999
Qty
Price
$2.78

Ref No
19
Part Number
96100-62050-00
Description
BEARING, RADIAL BALL (6205)
Serial Range
1000001 - 9999999

Ref No
20
Part Number
98076-54716
Description
SPARK PLUG (BR-4HS) (NGK)
Serial Range
1000001 - 9999999
Qty
Price
$2.98

Ref No
20
Part Number
98076-54757
Description
SPARK PLUG (W14FR-U)
Serial Range
1000001 - 9999999
Qty
Price
$3.06